转载

理解Kubernetes网络之Flannel网络

第一次 采用kube-up.sh脚本方式安装 的Kubernetes cluster目前运行良好,master node上的组件状态也始终是“没毛病”:

# kubectl get cs
NAME                 STATUS    MESSAGE              ERROR
controller-manager   Healthy   ok
scheduler            Healthy   ok
etcd-0               Healthy   {"health": "true"}

不过在第二次尝试 用kubeadm安装和初始化Kubernetes cluster 时遇到的各种网络问题还是让我“心有余悸”。于是趁上个周末,对Kubernetes的网络原理进行了一些针对性的学习。这里把对Kubernetes网络的理解记录一下和大家一起分享。

Kubernetes支持 Flannel 、 Calico 、 Weave network 等多种 cni网络 Drivers,但由于学习过程使用的是第一个cluster的Flannel网络,这里的网络原理只针对k8s+Flannel网络。

一、环境+提示

凡涉及到Docker、Kubernetes这类正在active dev的开源项目的文章,我都不得不提一嘴,那就是随着K8s以及flannel的演化,本文中的一些说法可能不再正确。提醒大家:阅读此类技术文章务必结合“环境”。

这里我们使用的环境就是我第一次建立k8s cluster的环境:

# kube-apiserver --version
Kubernetes v1.3.7

# /opt/bin/flanneld -version
0.5.5

# /opt/bin/etcd -version
etcd Version: 3.0.12
Git SHA: 2d1e2e8
Go Version: go1.6.3
Go OS/Arch: linux/amd64

另外整个集群搭建在 阿里云 上,每个ECS上的OS及kernel版本:Ubuntu 14.04.4 LTS,3.19.0-70-generic。

在我的测试环境,有两个node:master node和一个minion node。master node参与workload的调度。所以你基本可以认为有两个minion node即可。

二、Kubernetes Cluster中的几个“网络”

之前的k8s cluster采用的是默认安装,即直接使用了配置脚本中(kubernetes/cluster/ubuntu/config-default.sh)自带的一些参数,比如:

//摘自kubernetes/cluster/ubuntu/config-default.sh

export nodes=${nodes:-"root@master_node_ip root@minion_node_ip"}
export SERVICE_CLUSTER_IP_RANGE=${SERVICE_CLUSTER_IP_RANGE:-192.168.3.0/24}
export FLANNEL_NET=${FLANNEL_NET:-172.16.0.0/16}

从这里我们能够识别出三个“网络”:

  • node network:承载kubernetes集群中各个“物理”Node(master和minion)通信的网络;
  • service network:由kubernetes集群中的Services所组成的“网络”;
  • flannel network: 即Pod网络,集群中承载各个Pod相互通信的网络。

node network自不必多说,node间通过你的本地局域网(无论是物理的还是虚拟的)通信。

service network比较特殊,每个新创建的service会被分配一个service IP,在当前集群中,这个IP的分配范围是192.168.3.0/24。不过这个IP并不“真实”,更像一个“占位符”并且只有入口流量,所谓的“network”也是“名不符实”的,后续我们会详尽说明。

flannel network是我们要理解的重点,cluster中各个Pod要实现相互通信,必须走这个网络,无论是在同一node上的Pod还是跨node的Pod。我们的cluster中,flannel net的分配范围是:172.16.0.0/16。

在进一步挖掘“原理”之前,我们先来直观认知一下service network和flannel network:

Service network(看cluster-ip一列):

# kubectl get services
NAME           CLUSTER-IP      EXTERNAL-IP   PORT(S)     AGE
index-api      192.168.3.168   <none>        30080/TCP   18d
kubernetes     192.168.3.1     <none>        443/TCP     94d
my-nginx       192.168.3.179   <nodes>       80/TCP      90d
nginx-kit      192.168.3.196   <nodes>       80/TCP      12d
rbd-rest-api   192.168.3.22    <none>        8080/TCP    60d

Flannel network(看IP那列):

# kubectl get pod -o wide
NAME                           READY     STATUS    RESTARTS   AGE       IP            NODE
my-nginx-2395715568-gpljv      1/1       Running   6          91d       172.16.99.3   {master node ip}
nginx-kit-3872865736-rc8hr     2/2       Running   0          12d       172.16.57.7   {minion node ip}
... ...

三、平坦的Flannel网络

1、Kubenetes安装后的网络状态

首先让我们来看看: kube-up.sh在安装k8s集群 时对各个K8s Node都动了什么手脚!

a) 修改docker default配置

在ubuntu 14.04下,docker的配置都在/etc/default/docker文件中。如果你曾经修改过该文件,那么kube-up.sh脚本方式安装完kubernetes后,你会发现/etc/default/docker已经变样了,只剩下了一行:

master node:
DOCKER_OPTS=" -H tcp://127.0.0.1:4243 -H unix:///var/run/docker.sock --bip=172.16.99.1/24 --mtu=1450"

minion node:
DOCKER_OPTS=" -H tcp://127.0.0.1:4243 -H unix:///var/run/docker.sock --bip=172.16.57.1/24 --mtu=1450"

可以看出kube-up.sh修改了Docker daemon的–bip选项,使得该node上docker daemon在该node的fannel subnet范围以内为启动的Docker container分配IP地址。

b) 在etcd中初始化flannel网络数据

多个node上的Flanneld依赖一个 etcd cluster 来做集中配置服务,etcd保证了所有node上flanned所看到的配置是一致的。同时每个node上的flanned监听etcd上的数据变化,实时感知集群中node的变化。

我们可以通过etcdctl查询到这些配置数据:

master node:

//flannel network配置
# etcdctl --endpoints http://127.0.0.1:{etcd listen port} get  /coreos.com/network/config
{"Network":"172.16.0.0/16", "Backend": {"Type": "vxlan"}}

# etcdctl --endpoints http://127.0.0.1:{etcd listen port} ls  /coreos.com/network/subnets
/coreos.com/network/subnets/172.16.99.0-24
/coreos.com/network/subnets/172.16.57.0-24

//某一node上的flanne subnet和vtep配置
# etcdctl --endpoints http://127.0.0.1:{etcd listen port} get  /coreos.com/network/subnets/172.16.99.0-24
{"PublicIP":"{master node ip}","BackendType":"vxlan","BackendData":{"VtepMAC":"b6:bf:4c:81:cf:3b"}}

minion node:
# etcdctl --endpoints http://127.0.0.1:{etcd listen port} get  /coreos.com/network/subnets/172.16.57.0-24
{"PublicIP":"{minion node ip}","BackendType":"vxlan","BackendData":{"VtepMAC":"d6:51:2e:80:5c:69"}}

或用etcd 提供的rest api:

# curl -L http://127.0.0.1:{etcd listen port}/v2/keys/coreos.com/network/config
{"action":"get","node":{"key":"/coreos.com/network/config","value":"{/"Network/":/"172.16.0.0/16/", /"Backend/": {/"Type/": /"vxlan/"}}","modifiedIndex":5,"createdIndex":5}}

c) 启动flanneld

kube-up.sh在每个Kubernetes node上启动了一个flanneld的程序:

# ps -ef|grep flanneld

master node:
root      1151     1  0  2016 ?        00:02:34 /opt/bin/flanneld --etcd-endpoints=http://127.0.0.1:{etcd listen port} --ip-masq --iface={master node ip}

minion node:
root     11940     1  0  2016 ?        00:07:05 /opt/bin/flanneld --etcd-endpoints=http://{master node ip}:{etcd listen port} --ip-masq --iface={minion node ip}

一旦flanneld启动,它将从etcd中读取配置,并请求获取一个subnet lease(租约),有效期目前是24hrs,并且监视etcd的数据更新。flanneld一旦获取subnet租约、配置完backend,它会将一些信息写入/run/flannel/subnet.env文件。

master node:
# cat /run/flannel/subnet.env
FLANNEL_NETWORK=172.16.0.0/16
FLANNEL_SUBNET=172.16.99.1/24
FLANNEL_MTU=1450
FLANNEL_IPMASQ=true

minion node:
# cat /run/flannel/subnet.env
FLANNEL_NETWORK=172.16.0.0/16
FLANNEL_SUBNET=172.16.57.1/24
FLANNEL_MTU=1450
FLANNEL_IPMASQ=true

当然flanneld的最大意义在于根据etcd中存储的全cluster的subnet信息,跨node传输flannel network中的数据包,这个后面会详细说明。

d) 创建flannel.1 网络设备、更新路由信息

各个node上的网络设备列表新增一个名为flannel.1的类型为vxlan的网络设备:

master node:

# ip -d link show
4: flannel.1: <BROADCAST,MULTICAST,UP,LOWER_UP> mtu 1450 qdisc noqueue state UNKNOWN mode DEFAULT group default
    link/ether b6:bf:4c:81:cf:3b brd ff:ff:ff:ff:ff:ff promiscuity 0
    vxlan id 1 local {master node local ip} dev eth0 port 0 0 nolearning ageing 300

minion node:

349: flannel.1: <BROADCAST,MULTICAST,UP,LOWER_UP> mtu 1450 qdisc noqueue state UNKNOWN mode DEFAULT group default
    link/ether d6:51:2e:80:5c:69 brd ff:ff:ff:ff:ff:ff promiscuity 0
    vxlan id 1 local  {minion node local ip} dev eth0 port 0 0 nolearning ageing 300

从flannel.1的设备信息来看,它似乎与eth0存在着某种bind关系。这是在其他bridge、veth设备描述信息中所没有的。

flannel.1设备的ip:

master node:

flannel.1 Link encap:Ethernet  HWaddr b6:bf:4c:81:cf:3b
          inet addr:172.16.99.0  Bcast:0.0.0.0  Mask:255.255.0.0
          UP BROADCAST RUNNING MULTICAST  MTU:1450  Metric:1
          RX packets:5993274 errors:0 dropped:0 overruns:0 frame:0
          TX packets:5829044 errors:0 dropped:292 overruns:0 carrier:0
          collisions:0 txqueuelen:0
          RX bytes:1689890445 (1.6 GB)  TX bytes:1144725704 (1.1 GB)

minion node:

flannel.1 Link encap:Ethernet  HWaddr d6:51:2e:80:5c:69
          inet addr:172.16.57.0  Bcast:0.0.0.0  Mask:255.255.0.0
          UP BROADCAST RUNNING MULTICAST  MTU:1450  Metric:1
          RX packets:6294640 errors:0 dropped:0 overruns:0 frame:0
          TX packets:5755599 errors:0 dropped:25 overruns:0 carrier:0
          collisions:0 txqueuelen:0
          RX bytes:989362527 (989.3 MB)  TX bytes:1861492847 (1.8 GB)

可以看到两个node上的flannel.1的ip与k8s cluster为两个node上分配subnet的ip范围是对应的。

下面是两个node上的当前路由表:

master node:

# ip route
... ...
172.16.0.0/16 dev flannel.1  proto kernel  scope link  src 172.16.99.0
172.16.99.0/24 dev docker0  proto kernel  scope link  src 172.16.99.1
... ...

minion node:

# ip route
... ...
172.16.0.0/16 dev flannel.1
172.16.57.0/24 dev docker0  proto kernel  scope link  src 172.16.57.1
... ...

以上信息将为后续数据包传输分析打下基础。

e) 平坦的flannel network

从以上kubernetes和flannel network安装之后获得的网络信息,我们能看出flannel network是一个flat network。在flannel:172.16.0.0/16这个大网下,每个kubernetes node从中分配一个子网片段(/24):

master node:
  --bip=172.16.99.1/24

minion node:
  --bip=172.16.57.1/24

root@node1:~# etcdctl --endpoints http://127.0.0.1:{etcd listen port} ls  /coreos.com/network/subnets
/coreos.com/network/subnets/172.16.99.0-24
/coreos.com/network/subnets/172.16.57.0-24

用一张图来诠释可能更为直观:

理解Kubernetes网络之Flannel网络

这个是不是有些像x86-64的虚拟内存寻址空间啊(同样是平坦内存地址访问模型)!

在平坦的flannel network中,每个pod都会被分配唯一的ip地址,且每个k8s node的subnet各不重叠,没有交集。不过这样的subnet分配模型也有一定弊端,那就是可能存在ip浪费:一个node上有200多个flannel ip地址(xxx.xxx.xxx.xxx/24),如果仅仅启动了几个Pod,那么其余ip就处于闲置状态。

2、Flannel网络通信原理

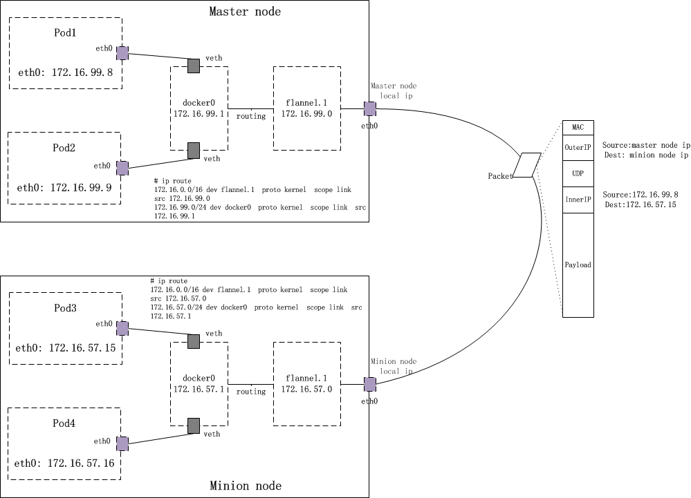
这里我们模仿flannel官方的那幅原理图,画了一幅与我们的实验环境匹配的图,作为后续讨论flannel网络通信流程的基础:

理解Kubernetes网络之Flannel网络

如上图所示,我们来看看从pod1:172.16.99.8发出的数据包是如何到达pod3:172.16.57.15的(比如:在pod1的某个container中ping -c 3 172.16.57.15)。

a) 从Pod出发

由于k8s更改了docker的DOCKER_OPTS,显式指定了–bip,这个值与分配给该node上的subnet的范围是一致的。这样一来,docker引擎每次创建一个Docker container,该container被分配到的ip都在flannel subnet范围内。

当我们在Pod1下的某个容器内执行ping -c 3 172.16.57.15,数据包便开始了它在flannel network中的旅程。

Pod是Kubernetes调度的基本unit。Pod内的多个container共享一个network namespace。kubernetes在创建Pod时,首先先创建pause容器,然后再以pause的network namespace为基础,创建pod内的其他容器(–net=container:xxx),这样Pod内的所有容器便共享一个network namespace,这些容器间的访问直接通过localhost即可。比如Pod下A容器启动了一个服务,监听8080端口,那么同一个Pod下面的另外一个B容器通过访问localhost:8080即可访问到A容器下面的那个服务。

在之前的《 理解Docker容器网络之Linux Network Namespace 》一文中,我相信我已经讲清楚了单机下Docker容器数据传输的路径。在这个环节中,数据包的传输路径也并无不同。

我们看一下Pod1中某Container内的路由信息:

# docker exec ba75f81455c7 ip route
default via 172.16.99.1 dev eth0
172.16.99.0/24 dev eth0  proto kernel  scope link  src 172.16.99.8

目的地址172.16.57.15并不在直连网络中,因此数据包通过default路由出去。default路由的路由器地址是172.16.99.1,也就是上面的docker0 bridge的IP地址。相当于docker0 bridge以“三层的工作模式”直接接收到来自容器的数据包(而并非从bridge的二层端口接收)。

b) docker0与flannel.1之间的包转发

数据包到达docker0后,docker0的内核栈处理程序发现这个数据包的目的地址是172.16.57.15,并不是真的要送给自己,于是开始为该数据包找下一hop。根据master node上的路由表:

master node:

# ip route
... ...
172.16.0.0/16 dev flannel.1  proto kernel  scope link  src 172.16.99.0
172.16.99.0/24 dev docker0  proto kernel  scope link  src 172.16.99.1
... ...

我们匹配到“172.16.0.0/16”这条路由!这是一条直连路由,数据包被直接送到flannel.1设备上。

c) flannel.1设备以及flanneld的功用

flannel.1是否会重复docker0的套路呢:包不是发给自己,转发数据包?会,也不会。

“会”是指flannel.1肯定要将包转发出去,因为毕竟包不是给自己的(包目的ip是172.16.57.15, vxlan设备ip是172.16.99.0)。

“不会”是指flannel.1不会走寻常套路去转发包,因为它是一个vxlan类型的设备,也称为vtep,virtual tunnel end point。

那么它到底是怎么处理数据包的呢?这里涉及一些Linux内核对vxlan处理的内容,详细内容可参见本文末尾的参考资料。

flannel.1收到数据包后,由于自己不是目的地,也要尝试将数据包重新发送出去。数据包沿着网络协议栈向下流动,在二层时需要封二层以太包,填写目的mac地址,这时一般应该发出arp:”who is 172.16.57.15″。但vxlan设备的特殊性就在于它并没有真正在二层发出这个arp包,因为下面的这个内核参数设置:

master node:

# cat /proc/sys/net/ipv4/neigh/flannel.1/app_solicit
3

而是由linux kernel引发一个”L3 MISS”事件并将arp请求发到用户空间的flanned程序。

flanned程序收到”L3 MISS”内核事件以及arp请求(who is 172.16.57.15)后,并不会向外网发送arp request,而是尝试从etcd查找该地址匹配的子网的vtep信息。在前面章节我们曾经展示过etcd中Flannel network的配置信息:

master node:

# etcdctl --endpoints http://127.0.0.1:{etcd listen port} ls  /coreos.com/network/subnets
/coreos.com/network/subnets/172.16.99.0-24
/coreos.com/network/subnets/172.16.57.0-24

# curl -L http://127.0.0.1:{etcd listen port}/v2/keys/coreos.com/network/subnets/172.16.57.0-24
{"action":"get","node":{"key":"/coreos.com/network/subnets/172.16.57.0-24","value":"{/"PublicIP/":/"{minion node local ip}/",/"BackendType/":/"vxlan/",/"BackendData/":{/"VtepMAC/":/"d6:51:2e:80:5c:69/"}}","expiration":"2017-01-17T09:46:20.607339725Z","ttl":21496,"modifiedIndex":2275460,"createdIndex":2275460}}

flanneld从etcd中找到了答案:

subnet: 172.16.57.0/24
public ip: {minion node local ip}
VtepMAC: d6:51:2e:80:5c:69

我们查看minion node上的信息,发现minion node上的flannel.1 设备mac就是d6:51:2e:80:5c:69:

minion node:

#ip -d link show

349: flannel.1: <BROADCAST,MULTICAST,UP,LOWER_UP> mtu 1450 qdisc noqueue state UNKNOWN mode DEFAULT group default
    link/ether d6:51:2e:80:5c:69 brd ff:ff:ff:ff:ff:ff promiscuity 0
    vxlan id 1 local 10.46.181.146 dev eth0 port 0 0 nolearning ageing 300

接下来,flanned将查询到的信息放入master node host的arp cache表中:

master node:

#ip n |grep 172.16.57.15
172.16.57.15 dev flannel.1 lladdr d6:51:2e:80:5c:69 REACHABLE

flanneld完成这项工作后,linux kernel就可以在arp table中找到 172.16.57.15对应的mac地址并封装二层以太包了。

到目前为止,已经呈现在大家眼前的封包如下图:

理解Kubernetes网络之Flannel网络

不过这个封包还不能在物理网络上传输,因为它实际上只是vxlan tunnel上的packet。

d) kernel的vxlan封包

我们需要将上述的packet从master node传输到minion node,需要将上述packet再次封包。这个任务在backend为vxlan的flannel network中由linux kernel来完成。

flannel.1为vxlan设备,linux kernel可以自动识别,并将上面的packet进行vxlan封包处理。在这个封包过程中,kernel需要知道该数据包究竟发到哪个node上去。kernel需要查看node上的fdb(forwarding database)以获得上面对端vtep设备(已经从arp table中查到其mac地址:d6:51:2e:80:5c:69)所在的node地址。如果fdb中没有这个信息,那么kernel会向用户空间的flanned程序发起”L2 MISS”事件。flanneld收到该事件后,会查询etcd,获取该vtep设备对应的node的”Public IP“,并将信息注册到fdb中。

这样Kernel就可以顺利查询到该信息并封包了:

master node:

# bridge fdb show dev flannel.1|grep d6:51:2e:80:5c:69
d6:51:2e:80:5c:69 dst {minion node local ip} self permanent

由于目标ip是minion node,查找路由表,包应该从master node的eth0发出,这样src ip和src mac地址也就确定了。封好的包示意图如下:

理解Kubernetes网络之Flannel网络

e) kernel的vxlan拆包

minion node上的eth0接收到上述vxlan包,kernel将识别出这是一个vxlan包,于是拆包后将flannel.1 packet转给minion node上的vtep(flannel.1)。minion node上的flannel.1再将这个数据包转到minion node上的docker0,继而由docker0传输到Pod3的某个容器里。

3、Pod内到外部网络

我们在Pod中除了可以与pod network中的其他pod通信外,还可以访问外部网络,比如:

master node:
# docker exec ba75f81455c7 ping -c 3 baidu.com
PING baidu.com (180.149.132.47): 56 data bytes
64 bytes from 180.149.132.47: icmp_seq=0 ttl=54 time=3.586 ms
64 bytes from 180.149.132.47: icmp_seq=1 ttl=54 time=3.752 ms
64 bytes from 180.149.132.47: icmp_seq=2 ttl=54 time=3.722 ms
--- baidu.com ping statistics ---
3 packets transmitted, 3 packets received, 0% packet loss
round-trip min/avg/max/stddev = 3.586/3.687/3.752/0.072 ms

这个通信与vxlan就没有什么关系了,主要是通过docker引擎在iptables的POSTROUTING chain中设置的MASQUERADE规则:

mastre node:

#iptables -t nat -nL
... ...
Chain POSTROUTING (policy ACCEPT)
target     prot opt source               destination
MASQUERADE  all  --  172.16.99.0/24       0.0.0.0/0
... ...

docker将容器的pod network地址伪装为node ip出去,包回来时再snat回容器的pod network地址,这样网络就通了。

四、”不真实”的Service网络

每当我们在k8s cluster中创建一个service,k8s cluster就会在–service-cluster-ip-range的范围内为service分配一个cluster-ip,比如本文开始时提到的:

# kubectl get services
NAME           CLUSTER-IP      EXTERNAL-IP   PORT(S)     AGE
index-api      192.168.3.168   <none>        30080/TCP   18d
kubernetes     192.168.3.1     <none>        443/TCP     94d
my-nginx       192.168.3.179   <nodes>       80/TCP      90d
nginx-kit      192.168.3.196   <nodes>       80/TCP      12d
rbd-rest-api   192.168.3.22    <none>        8080/TCP    60d

这个cluster-ip只是一个虚拟的ip,并不真实绑定某个物理网络设备或虚拟网络设备,仅仅存在于iptables的规则中:

Chain PREROUTING (policy ACCEPT)
target     prot opt source               destination
KUBE-SERVICES  all  --  0.0.0.0/0            0.0.0.0/0            /* kubernetes service portals */

# iptables -t nat -nL|grep 192.168.3
Chain KUBE-SERVICES (2 references)
target     prot opt source               destination
KUBE-SVC-XGLOHA7QRQ3V22RZ  tcp  --  0.0.0.0/0            192.168.3.182        /* kube-system/kubernetes-dashboard: cluster IP */ tcp dpt:80
KUBE-SVC-NPX46M4PTMTKRN6Y  tcp  --  0.0.0.0/0            192.168.3.1          /* default/kubernetes:https cluster IP */ tcp dpt:443
KUBE-SVC-AU252PRZZQGOERSG  tcp  --  0.0.0.0/0            192.168.3.22         /* default/rbd-rest-api: cluster IP */ tcp dpt:8080
KUBE-SVC-TCOU7JCQXEZGVUNU  udp  --  0.0.0.0/0            192.168.3.10         /* kube-system/kube-dns:dns cluster IP */ udp dpt:53
KUBE-SVC-BEPXDJBUHFCSYIC3  tcp  --  0.0.0.0/0            192.168.3.179        /* default/my-nginx: cluster IP */ tcp dpt:80
KUBE-SVC-UQG6736T32JE3S7H  tcp  --  0.0.0.0/0            192.168.3.196        /* default/nginx-kit: cluster IP */ tcp dpt:80
KUBE-SVC-ERIFXISQEP7F7OF4  tcp  --  0.0.0.0/0            192.168.3.10         /* kube-system/kube-dns:dns-tcp cluster IP */ tcp dpt:53
... ...

可以看到在PREROUTING环节,k8s设置了一个target: KUBE-SERVICES。而KUBE-SERVICES下面又设置了许多target,一旦destination和dstport匹配,就会沿着chain进行处理。

比如:当我们在pod网络curl 192.168.3.22 8080时,匹配到下面的KUBE-SVC-AU252PRZZQGOERSG target:

KUBE-SVC-AU252PRZZQGOERSG  tcp  --  0.0.0.0/0            192.168.3.22         /* default/rbd-rest-api: cluster IP */ tcp dpt:8080

沿着target,我们看到”KUBE-SVC-AU252PRZZQGOERSG”对应的内容如下:

Chain KUBE-SVC-AU252PRZZQGOERSG (1 references)
target     prot opt source               destination
KUBE-SEP-I6L4LR53UYF7FORX  all  --  0.0.0.0/0            0.0.0.0/0            /* default/rbd-rest-api: */ statistic mode random probability 0.50000000000
KUBE-SEP-LBWOKUH4CUTN7XKH  all  --  0.0.0.0/0            0.0.0.0/0            /* default/rbd-rest-api: */

Chain KUBE-SEP-I6L4LR53UYF7FORX (1 references)
target     prot opt source               destination
KUBE-MARK-MASQ  all  --  172.16.99.6          0.0.0.0/0            /* default/rbd-rest-api: */
DNAT       tcp  --  0.0.0.0/0            0.0.0.0/0            /* default/rbd-rest-api: */ tcp to:172.16.99.6:8080

Chain KUBE-SEP-LBWOKUH4CUTN7XKH (1 references)
target     prot opt source               destination
KUBE-MARK-MASQ  all  --  172.16.99.7          0.0.0.0/0            /* default/rbd-rest-api: */
DNAT       tcp  --  0.0.0.0/0            0.0.0.0/0            /* default/rbd-rest-api: */ tcp to:172.16.99.7:8080

Chain KUBE-MARK-MASQ (17 references)
target     prot opt source               destination
MARK       all  --  0.0.0.0/0            0.0.0.0/0            MARK or 0x4000

请求被按5:5开的比例分发(起到负载均衡的作用)到KUBE-SEP-I6L4LR53UYF7FORX 和KUBE-SEP-LBWOKUH4CUTN7XKH,而这两个chain的处理方式都是一样的,那就是先做mark,然后做dnat,将service ip改为pod network中的Pod IP,进而请求被实际传输到某个service下面的pod中处理了。

五、参考资料

  • How VXLAN works on Linux&VTEP implementation with Flannel
  • Virtual switching technologies and Linux bridge
  • How Flannel’s VXLAN backend works 建议用google翻译将网页从日文翻译成英文再看^0^。
  • Software Defined Networking using VXLAN

© 2017,bigwhite. 版权所有.

原文  http://tonybai.com/2017/01/17/understanding-flannel-network-for-kubernetes/
正文到此结束
Loading...